RIKO FIBER OPTIC

คุณสมบัติ
สายไฟเบอร์ออปติกเซนเซอร์ RIKO มีหลากหลายขนาดหลายรุ่น ให้เลือกใช้งานตามความเหมาะสมและการประยุกต์ใช้งานสำหรับงานต่างๆ ตามพื้นที่ติดตั้ง สายไฟเบอร์ออปติก RIKO มีการออกแบบให้สายมีความยิดหยุ่นสูง ป้องกันการหักงอของสาย ปลายหัวไฟเบอร์ถูกออกแบบให้มีความแข็งแรงทนทานด้วยวัสดุคุณภาพสูงและการผลิตที่ได้มาตรฐาน
![]() |
![]() |
![]() |
![]() |
![]() |
![]() |
![]() |
![]() |
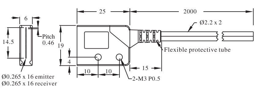
ข้อมูลจำเพาะ
Diffuse Type 
| MODEL | DIMENSION | SPECIFICATION |
| สาย Single Core สำหรับตรวจจับงานทั่วไป คุ้มค่า ราคาประหยัด | ||
|
PR-620-B1
|
![]() |
|
|
PRD-420-B1
|
![]() |
|
|
PRD-320-B1
|
![]() |
|
| สาย Coaxial สำหรับตรวจจับที่ต้องการความละเอียดมากยิ่งขึ้น | ||
|
PRC–620
|
![]() |
|
|
PRC–420
|
![]() |
|
|
PRC–320
|
![]() |
|
| ลำแสงขนาดเล็ก สำหรับตรวจจับวัตถุขนาดเล็กหรือช่วยเพิ่มความเสถียรในการตรวจจับ | ||
|
PR-620-B5
|
![]() |
|
|
PRC-620-L3
|
![]() |
|
| สายแบบทำมุม 90 องศา ลดการหักงอของสาย | ||
|
PR-620-T01
|
![]() |
|
|
PRD-420-T01
|
![]() |
|
|
PRD-320-T01
|
![]() |
|
| ลักษณะแสงออกมาเป็นแถบ สำหรับตรวจจับแบบพื้นที่ | ||
|
FR-50ML-20
|
![]() |
|
|
PR-20ML-20
|
![]() |
|
| ทนความร้อน สำหรับติดตั้งในพื้นทีที่อุณหภูมิสูงๆ | ||
|
FGR-610(R)
|
![]() |
|
|
FGR-410(R)
|
![]() |
|
| หัวทรงแบน สำหรับติดตั้งพื้นที่ที่จำกัด | ||































































