RIKO PROXIMITY SENSORS : RN04-NP Series

คุณสมบัติ RIKO รุ่น RN04-NP
พร็อกซิมิตี้เซนเซอร์ RIKO รุ่น RN04-NP และ SN10-KP2 ราคาประหยัด คุ้มค่า มีลักษณะทรงสี่เหลี่ยม ติดตั้งง่าย ปรับระยะด้วยร่อง slot การเชื่อมต่อเอาท์พุทรองรับทั้ง NPN / PNP และเลือกใช้ได้ทั้ง NO.หรือ NC. ได้ภายในตัวเดียว ช่วยลดความยุ่งยากในการสั่งซื้อหรือทำสต๊อกสำหรับซ่อมบำรุง
1. ไฟแสดงผลขนาดใหญ่
ไฟแสดงสถานะ OUTPUT ขนาดใหญ่สว่างสังเกตได้ชัดเจน พร้อมร่องยึดแบบ slot ช่วยให้สามารถสไลด์เซนเซอร๋เข้าออกตามตำแหน่งที่ต้องการได้อย่างสะดวก
2. รองรับ OUTPUT หลากหลาย
ส่วนของ OUTPUT สามารถเลือกใช้งานได้หลากหลาย สามาถใช้งานได้แบบ NPN หรือ PNP และยังสามารถเลือกหน้าสัมผัสแบบ NO หรือ NC ได้อีกด้วยในตัวเดยวกัน ช่วยลดความหลากหลายจำนวนรุ่นในการทำสต๊อกสำหรับซ่อมบำรุง
ข้อมูลจำเพาะ
| Model | RN04-NP | SN10-KP2 | |
| RN04-N | RN04-P | ||
| Sensing distance | 5mm | 10mm | |
| Secure sensing distance | 0 to 4mm | 0 to 8 mm | |
| Standard sensing object | Iron 18x18x1mm | Iron 30x30x1mm | |
| Sensing Surface | Top surface | ||
| Hysteresis | ≦10% of sensing distance | ||
| Output Type | NP : NPN L.on / D.on PNP L.on / D.on | NPN L.on / D.on PNP L.on / D.on | |
| N : NPN (L.on/D.on) | P : NPN (L.on/D.on) | ||
| Response time | 2ms Max. | 3.3ms Max. | |
| Operating voltage | DC 10 ~ 30V | ||
| Current consumption | ≦8 mA no-load | ||
| Load current | 100 mA Max. at DC 30V | ||
| Leakage current | ≦1.1 mA no-load | ||
| Residual voltage | ≦ DC 1.5V | ||
| Insulation resistance | 20M Ω min. (DC500V) | ||
| Voltage withstandability | AC1000V 60Hz for 60 Sec. | ||
| Operating temperature | -20℃ ~ +60℃ | ||
| Protection degree | IP64 | IP66 | |
| Wiring method | Ø4.2 x 2M / 4wires | ||
| Weight | Approx.60g | Approx.125g | |
ดาวน์โหลดสเปก
วงจรไดอะแกรม : RN04-NP / SN10-KP2
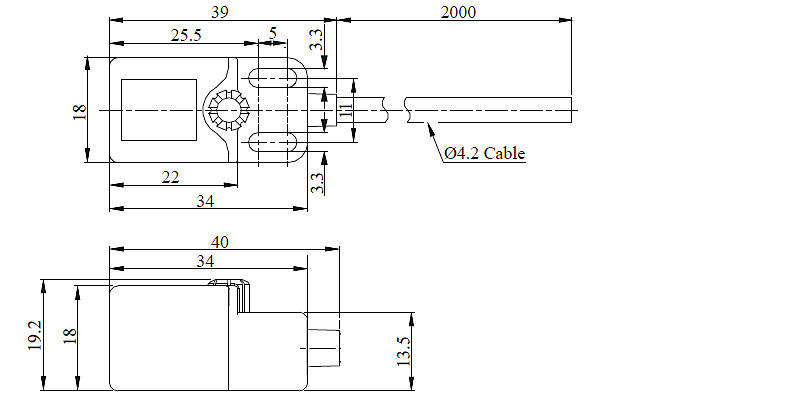
ขนาด (หน่วย:มม.)
RN04-NP

SN10-KP2









